登录
注册账号
|
忘记密码
社交账号登录
首页
控制器系列
风机类
水泵类
变频类
其它类
首页
>
控制器系列
>
风机类
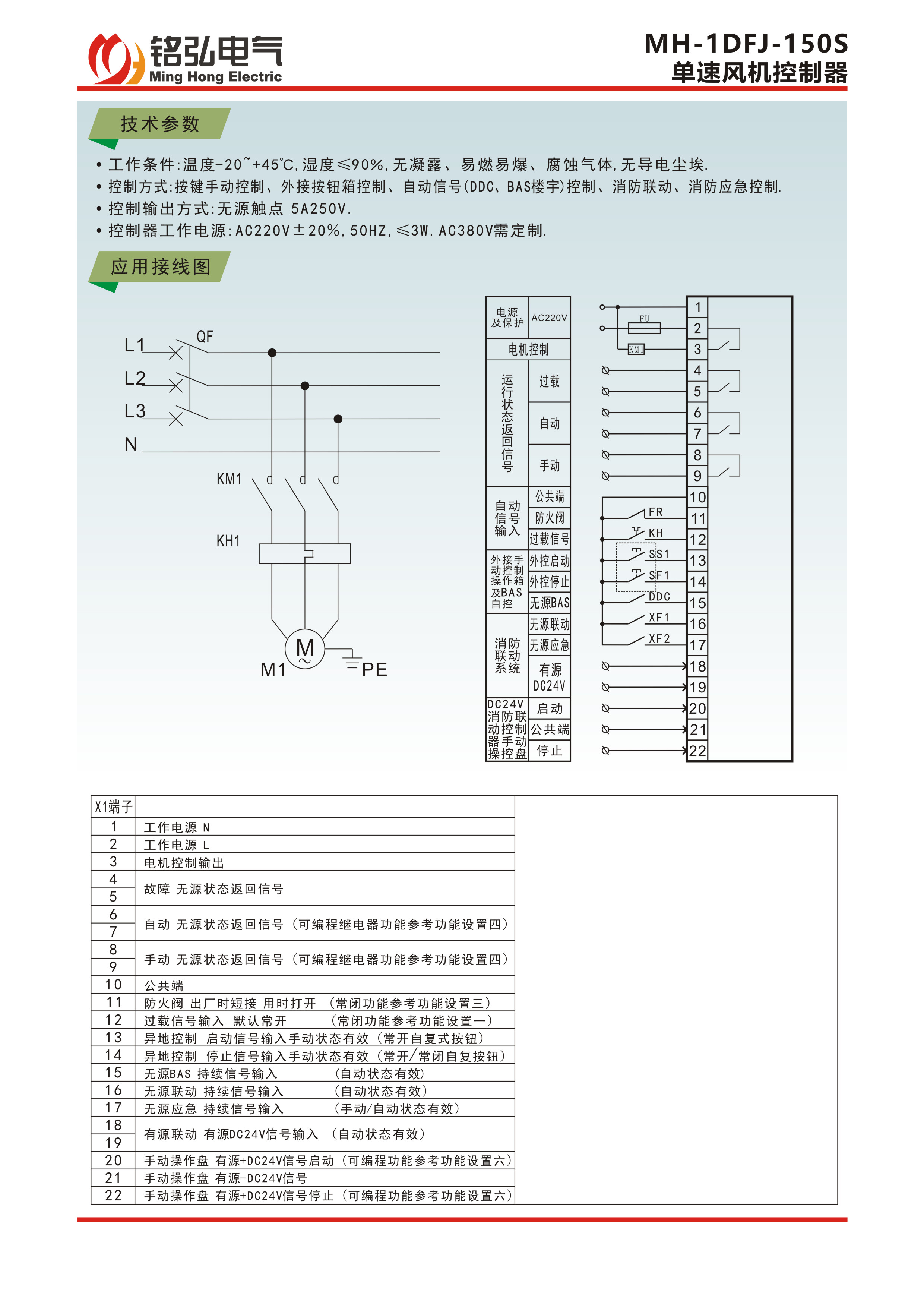
MH-1DFJ-150S 单速风机控制器
产品介绍
产品推荐
MH-BPK230X 智能变频电机控制器
976
MH-3LP350S 二用一备电机控制器
900
MH-1SF135A 双速风机控制器
966
MH-KG328 时控开关
964
MH-D4 四位指示灯
907
MH-D3 三位指示灯
782
MH-D2 两位指示灯
781
MH-2LP350S 一用一备水泵控制器
726
MH-1LP350S 单路水泵控制器
526